Physics - Capacitor Question with Solution | TestHub
PhysicsCapacitorCircuit AnalysisHard2 minPYQ_2017
PhysicsHardsingle choice
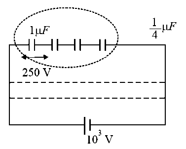
A capacitance ofis required in an electrical circuit across a potential difference of. A large number ofcapacitors are available which can withstand a potential difference of not more than. The minimum number of capacitors required to achieve this is:

Options:
Answer:
A
Solution:

Let us assume that we connect (whole number) capacitors in series such that the potential difference across the combination is . This means the potential difference across each capacitor is
.
This means we need to connect at least capacitors in series to make sure that the potential across each one is less than .
Minimum no. of capacitors
Stream:JEESubject:PhysicsTopic:CapacitorSubtopic:Circuit Analysis
⏱ 2mℹ️ Source: PYQ_2017
Doubts & Discussion
Loading discussions...