Physics - Semiconductors Question with Solution | TestHub
PhysicsSemiconductorsPN junctionHard2 minPYQ_2024
PhysicsHardinteger
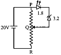
A potential divider circuit is connected with a dc source of , a light emitting diode of glow in voltage and a zener diode of breakdown voltage of . The length (PR) of the resistive wire is . The minimum length of PQ to just glow the LED is _____
Answer:
5
Solution:

Stream:JEESubject:PhysicsTopic:SemiconductorsSubtopic:PN junction
⏱ 2mℹ️ Source: PYQ_2024
Doubts & Discussion
Loading discussions...