TestHub
TestHub

Physics - Semiconductors Question with Solution | TestHub

PhysicsSemiconductorsLogic gatesEasy2 minPYQ_2023
PhysicsEasysingle choice

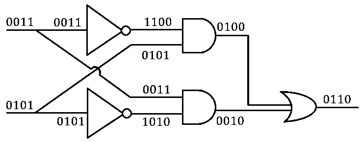
For the given logic gates combination, the correct truth table will be

Options:

Answer:
B
Solution:

A HIGH output (1) results only if all the inputs to the AND gate are HIGH (1). If not all inputs to the AND gate are HIGH, LOW output results.

But in case of OR Gate, for the output to be 1, at least input one OR two must be 1.

NOR Gate reverses the logic state.

Therefore, for all possible combination of inputs, outputs at different stages will look like as given below.

Stream:JEESubject:PhysicsTopic:SemiconductorsSubtopic:Logic gates
2mℹ️ Source: PYQ_2023

Doubts & Discussion

Loading discussions...