Physics - NLM Question with Solution | TestHub
PhysicsNLMSimple Application of NLMMedium2 min
PhysicsMediuminteger
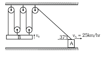
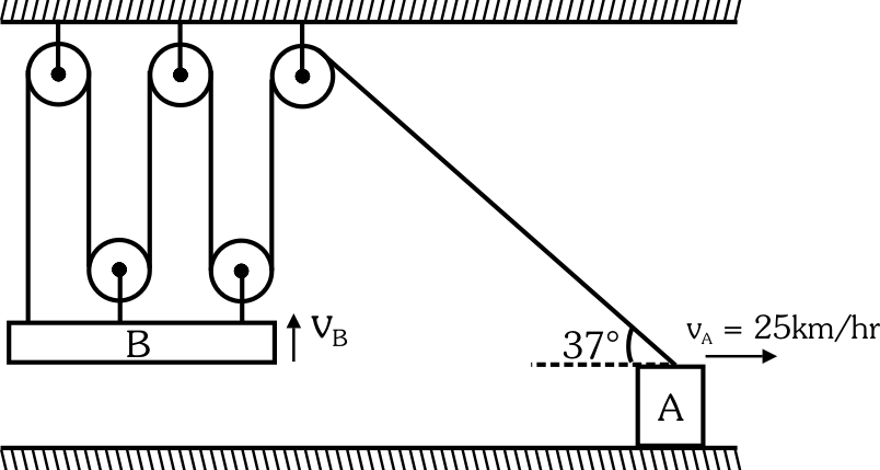
A tractor A is used to hoist the heavy body B with a pulley system as shown in figure. If the tractor has a velocity towards right, find velocity (in ) of the body B.

.jpg)
Answer:
4
Solution:
Explain question :- the problem asks to find the velocity of body B. given the velocity of a factor A and a fully system. Concept :- constrained motion. solution :-

Final answer :- the velocity of body B is 4 km/hr upwords.
Stream:JEESubject:PhysicsTopic:NLMSubtopic:Simple Application of NLM
⏱ 2m
Doubts & Discussion
Loading discussions...