Physics - Current Electricity Question with Solution | TestHub
PhysicsCurrent ElectricityCircuit AnalysisMedium2 minPYQ_2023
PhysicsMediumsingle choice
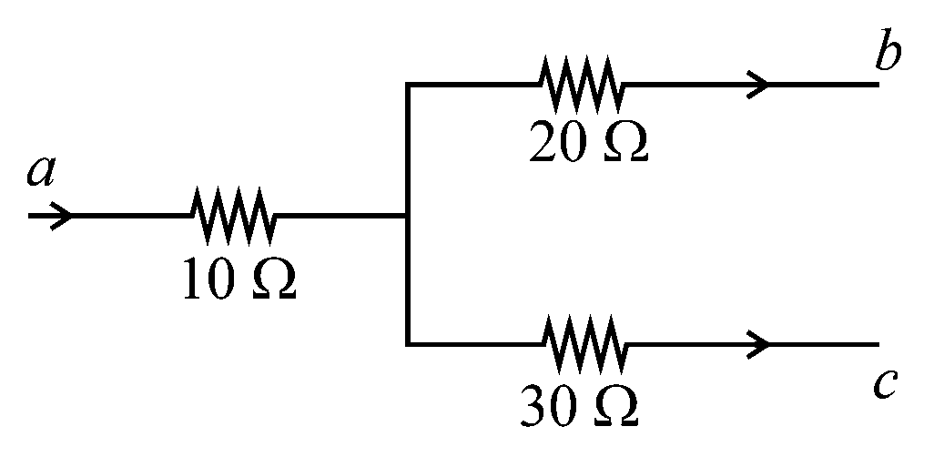
Figure shows a part of an electric circuit. The potentials at points and are and respectively. The current through the resistor will be,


Options:
Answer:
B
Solution:
Let the potential be at the junction.
By using we get,
By using Kirchhoff's law,
The current through the resistor is
Stream:JEESubject:PhysicsTopic:Current ElectricitySubtopic:Circuit Analysis
⏱ 2mℹ️ Source: PYQ_2023
Doubts & Discussion
Loading discussions...
