TestHub
TestHub

Physics - Current Electricity Question with Solution | TestHub

PhysicsCurrent ElectricityCircuit AnalysisMedium2 minPYQ_2023
PhysicsMediumnumerical

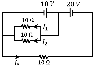
In the given circuit the value of I1+I3I2 is:

 

Question diagram: In the given circuit the value of I 1 + I 3 I 2 is:
Answer:
2.00
Solution:

Potential distribution at each point in the circuit is shown in above diagram.

Since, both 10 Ω resistors are maintained at same potential difference, so current will be same, thus, using Ohm's law, I1=I2=20-1010=1 A

Now, current I3=1010=1 A

Hence, the value of I1+I3I2=1+11=2.

Stream:JEESubject:PhysicsTopic:Current ElectricitySubtopic:Circuit Analysis
2mℹ️ Source: PYQ_2023

Doubts & Discussion

Loading discussions...