Physics - Current Electricity Question with Solution | TestHub
PhysicsCurrent ElectricityEquivalent ResistanceEasy2 minPYQ_2022
PhysicsEasynumerical
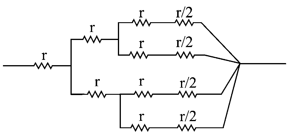
All resistances in figure are each. The value of current '' is . The value of is _____ .


Answer:
8.00
Solution:

Each pair on the right side of the circuit is in parallel connection, hence it can be replaced by a resistance of as shown.

Now, in each branch on the right side is in series, hence combined resistance value will be, . Upper branch having resistance is in parallel with another , hence it can be written as .

Further, simplified circuit will have net resistance of .

Therefore,
Now, current
Hence, value of .
Stream:JEESubject:PhysicsTopic:Current ElectricitySubtopic:Equivalent Resistance
⏱ 2mℹ️ Source: PYQ_2022
Doubts & Discussion
Loading discussions...