Physics - Current Electricity Question with Solution | TestHub
PhysicsCurrent ElectricityEquivalent ResistanceMedium2 minPYQ_2022
PhysicsMediumnumerical
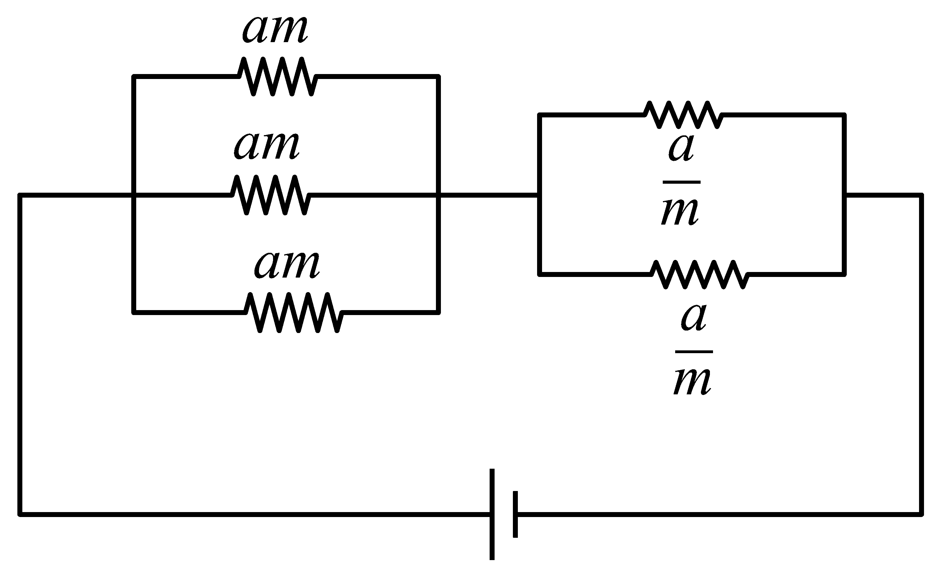
In the given circuit 'a' is an arbitrary constant. The value of for which the equivalent circuit resistance is minimum, will be . The value of is _____ .


Answer:
3.00
Solution:

Left part of the resistors are connected in parallel, hence .
Similarly, for the right part of the resistors we can write, .
Therefore, equivalent resistance will be,
Differentiating both sides w.r.t to observe critical points, we get
Thus, .
Stream:JEESubject:PhysicsTopic:Current ElectricitySubtopic:Equivalent Resistance
⏱ 2mℹ️ Source: PYQ_2022
Doubts & Discussion
Loading discussions...